LWGY型涡轮流量传感器是一种精密流量测量仪表,适用于测量低粘度的介质,如水、柴油、汽油等。与相应的流量积算仪表配套可用于测量液体的流量和量。广泛用于石油、化工、冶金、科研等领域的计量、控制系统。
传感器有普通型、高精度型和耐磨型(硬质合金)等多种形式。放大器有普通型和隔爆型两种,该传感器还可与LRT-I型现场流量积算表配套使用(锂电池供电,3~5年更换电池)。
本产品执行标准号为:ZB N12 005-1989
主要特点
高精度 0.2%, 0.5%, 1%精度可选
耐磨 硬质合金轴和轴承,适用于有沙粒等杂质的介质
耐腐蚀 适用于海水,氨水,醋酸等有腐蚀性的介质
双向 有双向涡轮流量计可供选择。适用于油库进出计量。
多种输出 脉冲,4~20mADC,现场累计/瞬时显示
电源范围宽 5~24VDC
防爆 Ex dⅡBT4
系列化 通径2*,4*,6,10,15,25,40,50,80,100,150,200,250,300mm
主要技术指标
| 公称 通经 (mm) | 流量范围 (m3/h) | 流体 温度 (℃) | 公称 压力 (MPa) | 环境 温度 (℃) | 大压 力损失 (MPa) |
| 基本误差限(Error) 0.2%* | 基本误差限(Error) 0.5%* | 基本误差限(Error) 1.0%* |
| 下限 | 上限 | 下限 | 上限 | 下限 | 上限 |
| 2A* | | | | | 0.03 | 0.16 | -20 ~+120 (150*) | 6.3 | -25 ~+55 | 0.12 |
| 4A* | | | | | 0.04 | 0.25 |
| 6A | | | | | 0.1 | 0.6 | 6.3 16* 25* 40* | 0.08 |
| 10A | | | | | 0.2 | 1.2 | 0.05 |
| 15A | | | 0.6 | 4 | 0.6 | 6 | 0.035 |
| 25A | | | 1.6 | 10 | 1 | 10 |
| 40A | 3 | 20 | 3 | 20 | 2 | 20 | 2.5 | 0.025 |
| 50A | 6 | 40 | 6 | 40 | 4 | 40 |
| 80A | 16 | 100 | 16 | 100 | 10 | 100 |
| 100A | 25 | 160 | 25 | 160 | 20 | 200 | 1.6或2.5 |
| 150A | 60 | 400 | 50 | 300 | 40 | 400 |
| 200A | | | 100 | 600 | 80 | 800 |
| 250A | | | 160 | 1000 | 120 | 1200 | 1.6 |
| 300A | | | 260 | 1600 | 180 | 1800 |
注:带“*”为特殊订货,口径小于等于25的为螺纹连接,40、50、80也可定做成螺纹式。
型号示例
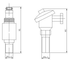
外形和连接尺寸
公称通径
| 尺寸Size 通径DN(mm) | G` | I(mm) | L(mm) | Weight (kg) |
| 2*和4* | G3/8″ | 11 | 42 | 0.5 |
| 6 | G3/8″ | 11 | 42 | 0.5 |
| 10 | G1/2″ | 16 | 55 | 0.6 |
| 15 | G1″ | 18 | 75 | 1.0 |
| 25 | G11/4″ | 23 | 100 | 1.5 |
注:“*”表示特殊订货
公称通径Nominal Diameter DN40~300mm
| 尺寸Size 通径 DN(mm) | D1 (mm) | D2 (mm) | d1 (mm) | N | L (mm) | Weight (kg) |
| 40 | 145 | 110 | 18 | 4 | 140 | 7 |
| 50 | 160 | 125 | 150 | 8 |
| 80 | 195 | 160 | 8 | 200 | 10 |
| 100 | 215 (230) | 180 (190) | 18 (23) | 220 | 12 (13) |
| 150 | 280 (300) | 240 (250) | 23 (25) | 300 | 16 (17) |
| 200 | 335 (360) | 295 (310) | 12 | 360 | 19 (20) |
| 250 | 405 | 355 | 26 | 400 | 73 |
| 300 | 460 | 410 | 26 | 420 | 85 |
注:连接法兰可根据用户要求定做
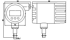
LWF-T 脉冲输出放大器
LWA-11 4~20mA 模拟输出转换器
LWF-11脉冲防爆放大器
LRT-I/LTD-I就地显示瞬时/累积流量表(锂电)
注:LRT-I一年更换电池,LTD-I五年根换电池
LRT-Ⅱ就地显示瞬时/累积流量
输出4~20mA(+24V DC)